Home
High power amplifier for 1296
1 KW SSPA for 1.8-54 MHz
A 1.5 KW LPF for 160-6m
1.8 to 54 MHz Dual Directional Detector
1.8 to 54 MHz combiner set
Automatic Transverter Interface
1 KW 6 Meter LDMOS Amplifier
2 Meter 80W All Mode Amplifier
1 KW 2M LDMOS Amplifier
1 KW 222 MHz LDMOS Amplifier
500w 70cm Amplifier
1KW 70cm LDMOS Amplifier
A Big Power Supply for SSPAs
Low Pass Filter/Dual Directional Detector
Sampling RF Power
LED Bar Graph Meter
Amplifier Control Board
LNAs (preamps) and MMICs
LNA Sequencing and Protection
Building UHF Antennas
VHF OCXO
MIcrowave Marker
Crystal Oven Controller
Microwave L.O.
Latching Relay Driver
12 to 28v
Relay Sequencer
High Current DC Switch
L & S Band LNA
Microwave L.O. Filters
PC Board Filters
Using Inexpensive Relays
600w 23cm LDMOS Amplifier
XRF-286 Amplifiers for 23cm
150W 23CM Turn-Key Amplifier
300w 23cm Amplifier
200w 23cm Amplifier
100w 23cm "brick"
100w 23cm Transverter
60w 23 cm Amplifier
23 CM Beacon
23cm Signal Generator
23cm Double Quad
23cm filters
13cm filter
13cm Signal Generator
13cm Transverter
120w 13 cm Amplifier
600w+ 33cm Amplifier
300w 33cm Amplifier
33cm filter
33 cm Crystal Source
33cm Signal Generator
9cm Transverter
Transverter Selector
12 AND 28 volts
Klitzing Amplifiers
IC-910H tweaks
Audio Files
Parts I Can Supply
Current Projects
Links

Comments? email to

All-Purpose Amplifier Controller

This board combines the functions of a relay sequencer, amplifier bias switch, temperature-controlled cooling fan and a high-VSWR cutoff switch. It basically combines the functions of several different boards onto one, saving some space and wiring.

Although it was designed for 28v amplifiers, it can be used on 12v systems as well, or at any voltage in between.

 

 

A high-resolution photo, suitable for component placement during assembly, is here.


 

A complete schematic follows at the bottom of this page, but let's look at the various functions in pieces:

 

The first section is the sequencer. This particular one will handle three events at push-to-talk (PTT).

The first event is usually used to operate the antenna relay(s) and turn on a cooling fan.

The second, triggered about 50 milliseconds later, brings the amplifier on-line (turns on the bias).

The third, happening 50 milliseconds after the second, is optional, and might be used to enable a transverter.

All of these events unfold in reverse order (at intervals) when PTT is released. The length of the timing intervals is adjustable.

 

OK, since the first event turns on a cooling fan, let's look at the fan controller next.

Most inexpensive computer-style cooling fans are 12v, so we'll drop the 28v down with a regulator (U101). The 14v output also feeds the control IC, which is a 16v (max) device.

U102 can be connected to a sensor, typically a thermistor mounted on the heat sink of the amplifier. R105 sets the trigger temperature to start the fan, and I usually set this for a heat sink temperature of 100f. Once the temp is below this level, U102 shuts off the fan.

PTT (event 1 through the sequencer) will override this control, keeping the fan on during the entire transmit cycle, even if the heat sink is below 100f.

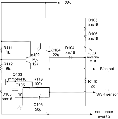
This last section shows the bias and VSWR cutoff switches. Bias is turned on by the sequencer (event 2), after the antenna relays have been switched. Q102 is the gate, and is capable of supplying an amp or more of bias current.

Q103 has a special job; but most of the time, it does nothing.

However, if you connect it's input to a diode detector (negative-going) that senses the reflected power from your antenna, it can cut off the bias to the amplifier. I usually set the sensitivity (R113) to trigger at 3 to 1 VSWR.

The LED (usually mounted to a panel) will light if Q103 shuts off the bias while transmitting with high VSWR.
This
is the complete schematic

Note: for 12v operation, do not install U101; jumper the 28v pad to the 14v pad, and change R111 to 2k.

One final note: The on-board regulator will only be able to supply about 150ma for running a fan; if you will use multiple fans, or if your fan draws more current than that, you'll need to use a current booster between the output of the control board and the fan. This booster is not necessary when the board is set up for 12v operation (fan current can be up to 2a or so). The two schematics below are examples of current booster circuits: